Realizzazione e utilizzo di un bioreattore multifunzionale pilota per fermentazioni aerobiche

di Mauro Moresi
  • 19 March 2025

A fronte della crescente popolazione globale e dell'impennata della domanda di alimenti ricchi di proteine, si registra un rinnovato interesse per le proteine microbiche (Single cell protein, SCP) derivate da batteri, alghe, lieviti e funghi, ampiamente studiate sin dagli anni 60 del secolo scorso. Il loro mercato, valutato a circa 13 miliardi di dollari nel 2022, si prevede che raggiungerà i 76 miliardi di dollari entro il 2032, riflettendo il crescente riconoscimento del loro potenziale nell'affrontare la sicurezza alimentare globale e le sfide ambientali.
Si riscontra anche un crescente interesse per integrare la fermentazione con moderne tecniche di biotecnologia, al fine di produrre per via fermentativa ingredienti alimentari di origine animale riducendone il costo ambientale associato ai metodi di agricoltura tradizionali. Tuttavia, mentre le innovazioni su scala di laboratorio sono promettenti, la loro implementazione su scala industriale deve affrontare sfide significative, tra cui la sicurezza del prodotto, l'accettazione dei consumatori e vari ostacoli tecnici. La carne coltivata, in primis, deve ancora raggiungere la commercializzazione su vasta scala a causa di fattori come i bassi tassi di crescita cellulare, la formazione muscolare inconsistente e la necessità di sostituti efficaci del siero.
Le prestazioni dei fermentatori (o bioreattori) progettati per coltivare microrganismi o cellule per la produzione di biomolecole specifiche sono state ampiamente studiate negli ultimi decenni per ottimizzarne l'efficienza energetica e semplificare i processi di produzione su larga scala. Ciononostante, i fermentatori ad agitazione meccanica (SF) sono ancor oggi impiegati nel 90% circa dei bioprocessi industriali, sia microbici che enzimatici, in particolare per brodi altamente viscosi come quelli utilizzati nella produzione di antibiotici e polisaccaridi microbici. Tuttavia, grazie alle elevate velocità di trasferimento di ossigeno, al minore apporto energetico, ai ridotti costi di investimento e operativi e alla facilità di costruzione e funzionamento, i fermentatori ad agitazione pneumatica (airlift, ALF) hanno trovato applicazione in numerosi processi di microbiologia industriale (ad es., birra, acido citrico e biomassa da lieviti, batteri e funghi), nel trattamento delle acque reflue e nella produzione di sostanze chimiche di alto valore (cioè antibiotici, enzimi e proteine) in reattori di dimensioni fino a 1500 m3.
Il passaggio dei processi microbici dalla scala di laboratorio a quella industriale è un'impresa complessa e costosa. Mentre le condizioni di laboratorio possono essere rigorosamente controllate in fermentatori da 0,5 a 10 L, la traduzione di queste condizioni in reattori su larga scala con una capacità di lavoro da 20 a 2000 m3 presenta diverse sfide:
Rischio finanziario: sono necessari investimenti sostanziali per impianti pilota, impianti dimostrativi e impianti di produzione su vasta scala.
Vincoli di tempo: il passaggio dal laboratorio al mercato può richiedere diversi anni.
Ostacoli tecnici: il passaggio alla scala superiore può introdurre nuove sfide, come il mantenimento di condizioni di fermentazione ottimali e la gestione di volumi maggiori.
Impatto sulle prestazioni: le operazioni su larga scala possono portare a costi maggiori e rese ridotte. Per mitigare questi rischi, sono essenziali un'attenta pianificazione, test rigorosi e un approccio sistematico al passaggio alla scala superiore per massimizzare il ritorno sull'investi-mento.
L'obiettivo principale di questo lavoro è quello di condividere i risultati del Progetto di Ricerca IPRA (Incremento della Produttività Agricola), finanziato dal Consiglio Nazionale delle Ricerche e coordinato dal Prof. Enrico Porceddu (Università della Tuscia), che ha portato allo sviluppo di un bioreattore a colonna con agitazione sia pneumatica che idraulica e quindi adatto a validare il trasferimento dalla scala di laboratorio a quella pilota di un'ampia gamma di processi di fermentazione aerobica.
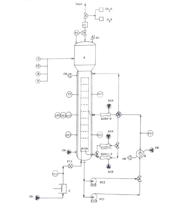
Basandosi sui risultati conseguiti in prototipi in scala di laboratorio e pilota, è stato costruito il fermentatore multifunzionale schematizzato in Figura 1 (scarica FIG 1.jpg). Il dimensionamento di processo di questa unità di fermentazione è stato articolato nelle seguenti fasi: (a) Definizione dei parametri geometrici per caratterizzare l'architettura del fermentatore. (b) Dimensionamento dei sistemi di aerazione e sterilizzazione (sia per i flussi liquidi che gassosi), dello scambiatore di calore, dei loop di ricircolo e delle apparecchiature ausiliarie (acqua, vapore, aria compressa ed energia elettrica). (c) Dimensionamento dei componenti meccanici del fermentatore e delle opere civili necessarie (fondazioni e piattaforme).
L'unità di fermentazione in scala pilota è stata progettata meccanicamente da C.e.m.i SpA (Cisterna di Latina, Italia) e costruita presso Rasa-Realtur SpA (Manfredonia, Italia) nel 1989. L'unità comprendeva un bioreattore a colonna (R) con un diametro interno di 0,6 m e un'altezza di 3,5 m, dotato di un tubo interno (0,36 m di diametro, 2,8 m di altezza) ove possono essere alloggiate fino a sei piastre perforate (diametro dei fori di 3 mm, passo triangolare di 8 mm). Questo bioreattore a colonna è accoppiato a un separatore di schiuma di 0,8 m di diametro e 1,2 m di altezza, entrambi do-tati di chiusure toroidali.
Una pompa centrifuga autoadescante (PC-1) ricircola il brodo di coltura attraverso lo scambiatore di calore a spirale (E), mentre un'altra pompa centrifuga autoadescante (PC-2) alimenta 9 eietto-ri G-L convergenti-divergenti (EJA1-6 a EJB1-3) per aerare il fermentatore. Diversi rotametri (FIC) sono stati utilizzati per misurare le portate gassose e liquide, mentre un contatore volumetrico (CV) rilevava il volume del gas effluente.
Il manometro (PI) monitorava la pressione sulla superficie liquida libera di R, mentre altri manometri e vacuometri misuravano la pressione sui quattro anelli di distribuzione del fluido motore e sulle porte di aspirazione dell'eiettore.
Vari filtri sterili sono stati utilizzati per l'aria compressa, i gas esausti e per l'aria ambiente aspi-rata.
Il livello di schiuma e il pH del brodo di fermentazione sono stati monitorati da sensori che attivavano automaticamente l'alimentazione di antischiuma o soluzioni acide/alcaline. Queste soluzioni erano immagazzinate in serbatoi presterilizzati e distribuite utilizzando pompe dosatrici alternative.
Il sistema di elaborazione computerizzata includeva il controllo di numerosi variabili operative (portate di aria e liquido, temperatura di fermentazione, pressione in cupola, pH e livello di schiuma) e il monitoraggio di altri parametri, quali temperature e pressioni in vari punti del fermentatore, livello del liquido, pressione di vuoto alla base del camino, portata dell'aria trascinata, concentrazioni di ossigeno disciolto e anidride carbonica e le loro frazioni volumetriche nel gas effluente.
Scarica FIG 1.jpg: Schema dell'unità di bioreattore multifunzionale in scala pilota. Simbologia: A, soluzione acida; AS, reagente antischiuma; B, soluzione alcalina; C, compressore d'aria alternativo; CA, aria compressa; CO2A, analizzatore di CO2 a infrarossi; CV, contatore volumetrico; CW, acqua di raffreddamento; DOI, elettrodo per ossigeno disciolto; E, scambiatore di calore a spirale; EJA1-6, dispositivo con ugello da 15 mm; EJB1-6, dispositivo con ugello da 8 mm; F, brodo di alimentazione; FIC, indicatore e regolatore di flusso; FI1, filtro per gas sterile; O2A, analizzatore di ossigeno paramagnetico; PC, pompa centrifuga; pCO, elettrodo per anidride carbonica disciolta; pHI, elettrodo pH; PI, manometro; SV, valvola di sicurezza; TI, termocoppia.
La Figura 2 (Scarica FIG 2.jpg) fornisce una panoramica dell'unità di fermentazione, mentre in Figura 3 (Scarica FIG 3.jpg) si mostra il separatore di schiuma e in Figura 4 (Scarica FIG 4.jpg) uno degli eiettori installati. 
Attraverso la condivisione del progetto ingegneristico dettagliato, delle molteplici procedure operative di questo bioreattore pilota e di alcuni dati rilevati durante la coltivazione di lieviti su siero di latte e acque reflue di patate, è stato reso disponibile ai ricercatori interessati al progresso della tecnologia dei bioreattori tutti i risultati conseguiti in Italia sul finire degli anni ’90, grazie ai Progetti di Ricerca Finalizzati del CNR.
La scelta di pubblicare questo lavoro in formato open access full text è stata motivata dalla volontà di massimizzare la diffusione e l'impatto della ricerca. La libera accessibilità ai dati e alle in-formazioni contenuti in questo documento potrebbe accelerare il progresso scientifico e tecnologico nel settore dei bioreattori, facilitando la collaborazione tra ricercatori e l'applicazione delle tecnologie sviluppate in contesti emergenti, quali la produzione di carne coltivata, la produzione farmaceutica e la biorimediazione ambientale.
In un'epoca in cui la condivisione della conoscenza è fondamentale per affrontare le sfide globali, l'open access rappresenta uno strumento potente per democratizzare l'accesso alla ricerca, accelerare l'innovazione e promuovere la collaborazione scientifica su scala globale.

LEGGI QUI ARTICOLO INTEGRALE: : Moresi M (2025) Design and operation of a multifunctional pilot-scale bioreactor for enhanced aerobic fermentation. Fermentation, 11(2), 101 - open access: https://doi.org/10.3390/fermentation11020101